地址:广东深圳宝安西乡麻布工业区15号

电话:
传真:021-63517789
邮编:2586256
网址:www.mobileoled.com

您现在的位置:首页 >> 新闻资讯

字号:   

【智天百谎54】智天联姻蚂蚁省电王?真能省电吗?假的!

浏览次数:668 日期:2022-04-24 20:12:15

【刊刻序】责任编辑原刊登于2019年11月22日。彼时,毛权等人以各式各样智天派生商品展开糊弄,当中众所周知,是简而言之的智天蜜蜂省梦比。只不过这是两个谬论骗子,本栏为此展开专精卡代纳。不谦虚地说,这称得上而此应用领域最专精的科学普及该文。2020年5月,毛权一伙人被捕。本周一刊刻该文,概要。

目  录

一、省梦比的宣传品

二、科学普及:视在功率补偿金省钱电吗?

三、省梦比回收

四、省电实验破解

五、保险公司并不保证省电

六、检测报告不是检测省电效果

七、无实际意义的外观设计专利

八、河南蚁王涉嫌传销已注销

九、智天蜜蜂省梦比?

责任编辑约4900字,阅读需12分钟

现在是2019年11月,智天骗子已步入尾声。

老总失联、公司关门也已快满一年了。

除了几个智天公众号每天发鸡汤文和造假好消息之外,是一伙人人趁机展开眼花缭乱的花式新骗子。

什么CIC股权币?智天月饼?智天酒?纪念币?

不把智天人的口袋骗空,决不罢休。

这不,又来新花招了!

只要3480元!

就赠送250万CIC股权币,还有价值268元的智天蜜蜂省梦比节能器!

最重要的是:这个268元的东东,节能效率达到30%!

在责任编辑中,我们就来看看而此智天蜜蜂省梦比究竟是什么玩意?

一、省梦比的宣传品

首先需要指出的是,而此智天蜜蜂省梦比,只不过是蜜蜂省梦比,款式和宣传品完全一样。应该是蜜蜂省梦比贴上了智天牌而已!

因此,下面的资料,部分来自于蜜蜂省梦比。

我们先来看看,而此省电神器的宣传品(宣传品资料也是蜜蜂省梦比Logo上贴了两个智天商标):

总结一下:

(1)使用方便,省电效果显著,能节能10%-30%;

(2)省电效果因电器而定:电感性和电容性电器可以省电,电阻性电器不省钱电;

(3)省电原理最重要的是视在功率补偿金,其他纯属瞎扯!

(4)中国专利商品;

(5)太平洋公司承保;

下面,就来一一看一下!

二、科学普及:视在功率补偿金

这些省电神器都提到了省电原理是视在功率补偿金,那么,有必要科学普及一下:

什么是视在功率补偿金?

视在功率补偿金真省钱电吗?

考虑到读者的科学素养水平,下面尽量用简单语言来讲这个问题:

我们使用的是交流电,就像波浪有高有低地传播,当中携带电能。通过用电器时,就会消耗电能。

那么,为什么我们感觉不到而此波动?

那是因为我们市用交流电的频率是50Hz,一秒钟波动了50次!我们眼睛无法察觉。

而此波动,指的是电流和电压都在波动。

但是,由于用电器的性质不同,电压的波形和电流的波形可能是不同步的:

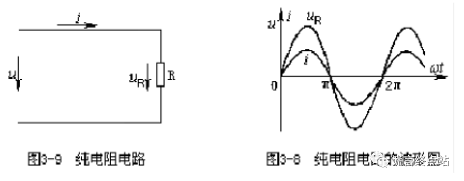
(1)纯电阻用电器:电压波形和电流波形同步;

(2)纯电感用电器:电压波形相位超前90度;

(3)纯电容用电器:电压波形相位落后90度。

实际的用电器,比较复杂,没有纯电阻、纯电感、纯电容电器。不过,基本可以分成三类(上面智天宣传品的分类不准确):

(1)电阻类电器,一般只有白炽灯或电阻加热型取暖器(如油汀等)!注意:不是日光灯或LED灯,因为当中都有镇流器或变压电路,因此有电感!

(2)电感类电器:电风扇、冰箱、洗衣机、充电器、电视机、日光灯、LED灯,当中都用到电动机或变压器;

(3)电容类电器:生活电器较少。

讲完用电器,我们再来讲讲功率。

在交流电中,有三种功率:有功功率(P表示/单位W)、视在功率(Q表示/单位Var)、视在功率(S表示/单位VA)。计算公式为:

S=P+Q

(1)有功功率

当中,我们通常指的用电器的功率或额定功率等,都是指有功功率P,单位是瓦或千瓦。有功功率指用电器实际消耗的电能,转化为热能和机械能。

我们家用电度表,也是用的这个有功功率和消耗的电能kWh。

有功功率的计算公式为:P=U*I*cosφ,cosφ代表功率因数,φ是电流I和电压V波形的相位差。

纯阻性负载(如白炽灯、热得快等)的功率因数一般接近1,感性和容性负载负载功率因数在0-1之间;所以测试纯阻性负载的时候,P基本等于或接近U*I; 测试感性或容性负载(如冰箱、洗衣机、电视机、电脑等)的时候,P<U*I,至于具体多少要跟功率因数有关

为了方便理解,举个例子。

交流电有两个收费员,两个是电流收费员,两个是电压收费员,两人都是上半天班。注意:只有两个人同时出现时,才能收电费。

那么,对于纯电阻负载来说,这两个收费员是同步上班的,比如逢单上班,逢双休息,因此。有功功率是1。

对于纯电感和纯电容负载来说,这两个收费员正好错开,两个逢上午,两个下午,因此,有功功率是零。

实际上,由于一般没有纯电感或纯电容用电器。因此,收费员错开的不是半天,可能是几个小时。因此,需要乘以两个系数,这是上面的功率系数。

(2)视在功率Q

除了上面的有功功率外,还有视在功率,这对大多数人不熟悉。

实际上,在电感和电容电路中,能量在电感和电容中并没有被消耗,只是展开变换。当中,转换为磁场或电场能量,最后又回到电源能量。

因此,虽然没有消耗能量,但是却也产生电流和电压。会对输电以及输电损耗有影响。

(3)视在功率S

也是有功功率和视在功率之平方和的根号:S平方=P平方+Q平方

我们用万用表直接去测量电流和电压,乘积并不是有功功率!而是视在功率。当中包括有功功率和视在功率!

对于民用电来说,不会对而此视在功率收费。

对于工业用电来说,也不直接对视在功率收费,但会设置最低功率效率,以免很多能量在当中空转,造成不平衡或输电浪费。若低于而此功率效率,即视在功率比例过高,会展开罚款。

因此,电力公司或工业用电企业,会展开视在功率补偿金,以减少视在功率产生。

那么,视在功率补偿金怎么做呢?

由于通常电感性负载较多,因此,只需要并联两个电容器就可以展开视在功率补偿金:

在电感性负载上并联了电容器以后,减少了电源与负载之间的能量互换。这时电感性负载所需的视在功率,大部分或全部由电容器供给,是说能量的互换现在主要发生在电感性负载与电容器之间,因而使发电机容量能得到充分利用。

举个例子(应为平方关系):

比如电力公司送电看做果农送苹果(两个苹果一度电)。果农向一家每天平均送10个苹果。那么,电阻先生每天吃6个苹果,电感小姐上午收进4个苹果,下午又还给果农。因此,这家只需要付6个苹果的钱就可以了,也是有功电能6度电。但是,电力公司每次还需要多准备4个苹果,用于电感小姐的视在功率。

那么,有没有办法电力公司不用准备呢?

有,那是把他们的朋友电容小姐请到家里就可以了。因为,电容小姐下午收4个苹果,上午还给果农。因此,实际上有四个苹果只需要在电容和电感之间交换就可以了,不用再从果农那边拿苹果了,这样就消灭了无供功率!

因此,确实可以通过接入电容等方式降低视在功率,这是简而言之的视在功率补偿金!但是,假如请了两个电容小姐的话,那么就没有减少视在功率!而是过度补偿金!

总结一下:

(1)交流电有有功功率和视在功率,前者收费,后者不收费;因为我们电度表是只记录有功功率的,也是实际消耗的电能,并不记录视在功率。

(2)通过并联电容等方式,确实可以减少视在功率,但是并不能减少电费!

三、省梦比回收

各式各样省梦比的内部结构,基本上大同小异。

我们看一下下面的拆机图:

当中,主要是几个电容和电感,右边的黑乎乎的东西,从标记看,里面可能也是两个电容。若是虑用于简而言之的净化空气,只不过根本不是过滤PM2.5之类的,可能是用来静电除尘罢了!这也是很简单就能现的。

因此,从回收图来看,这是两个基本的无功补偿金电路,用电容对电感性电器展开无功补偿金,当中的电感可能是用来滤波的。

从上述电子器件的成本来看,应该也就最多二三十元!

那么,这个东东接到电路上,确实可能会有一定的无功补偿金效果,但是,这不省钱一分钱的电费,因为,有功功率并没有减少!而电表记录的是有功功率!

四、省电实验破解

网上流传的很多省电实验视频,大同小异,比如下面这个:

视频加载失败,请刷新页面重试

刷新

只不过,都是有问题的,并不能证明省电。无论从科学实验的程序、设备、结果来说均缺乏可信度。

第一、实验操作方:没有两个实验是第三方展开的!

若是真的这么有效节能,完全可以找两个第三方的检测实验室展开,这样不是更有公信力吗?

但是,所有的演示实验,全是推销者所为!

第二,实验设备:功率计或电能计缺乏认证和可信度

从这些实验来看,基本上用几类测量表:

(1)万用表(或钳表)

(2)省梦比配套的功率表或电能表

如下面经常出现的这些功率表和演示测试套装,都没有商标和型号,是省梦比配套演示专用定制的,当中测试并非真正的有功功率:

只不过,很简单!

你让他们用经过认证的家用电度表(有功电表)试一下,就现出原形了!

注意:市场上有不同种类的电度表和功率计,比如下面这些有功视在功率计或电度表,可以切换模式,测量有功功率和视在功率!

假如你切换到视在功率模式的话,当然,加入无功补偿金的简而言之节能器,那确实可能可以看到简而言之功率的下降!但这是视在功率或者视在功率!并不是与电费相关的有功功率!

因为,电度表是测量有功功率,简而言之的无功补偿金根本没有用!

事实上,从上面的视频来看,假如电流和电压数据是真实的话,那么,只不过是过度补偿金了,因为电流增加了,不是减小了!

说明,而此无功补偿金并没有展开匹配补偿金,用的电容太大了,而用电器的电感太小了!

第三、测试程序问题

在展开科学实验时,若需要对照研究,则要保证所有其他条件保持不变,然后研究控制变量的影响!

但是,这些实验视频均未考虑而此点!比如,测试程序方面:

有两个视频,是用电水壶烧水的。没有插省梦比的时候烧一壶,然后,插上省梦比烧一壶,结果发现后面的省电。

只不过,当中的秘诀在于烧第二壶水时本来就省电,因为水壶是热的,因此,所需的电热量就小很多。

不信的话,可以换个顺序,用经过认证的电度表试试看?

第四、反驳实验

我们可以设计下面的反驳实验:

(1)由第三方展开实验;

(2)采用经过认证的有功电度表展开测试;

(3)两套对照系统(一套接入省梦比,一套没有接,同样的用电器)展开同时测试,而不是先后测试。

那么,就可以露出原形了!

第五、反证法

只不过,根本没有这么复杂,你也可以不用搞懂这些电力原理。

假如,这个省电是真的,那么:

(1)为什么不去申请科技进步一等奖?不去申请日内瓦发明金奖?不去申请诺贝尔奖?因为根本是假的!

(2)为什么没有论文刊登?因为根本是假的,无法通过同行评议的学术期刊审稿!

(3)为什么没有大公司采用?比如空调厂家为什么不将这个装在空调里面?因为根本没有用!根本没有人相信!

(4)为什么电力局不禁止使用或堵住漏洞?因为根本没有用!否则这是偷电!

(5)为什么很少人用?因为根本没有用,否则早就全民普及了!

(6)为什么没有专家鉴定或推荐?电力专家没有人用?因为根本没有用!懂的人根本不会用!

(7)为什么要用类传销的方式推广?因为本身没有用!就像虚假疗效的保健品只有通过传销推销一样!

五、保险公司并不保证省电

宣传品中,还晒出了保险公司的保单:

注意两点:

(1)保险金额100万。因此,这个保单的保费最多也就几千元!还不如车险呢!

(2)保险险种是商品责任险,不是省电效果险!

商品责任险承保厂家生产的商品因存在缺陷,造成使用、消费该商品的人或第三者的人身伤害、疾病、死亡或财产损失,依法应由厂家承担的经济赔偿责任。

因此,这个保险是指一旦出现火灾等问题时的保险,不是保证省钱电!

你用了不省电,去找保险公司,不会赔你一分钱!

六、检验报告不是检验省电效果

还贴出了两个检验报告:

注意:

当中,检验项目不是省电效果!而是分类标志说明以及触电、漏电、接地等!

因此,而此检验合格与是否节能完全没有关系!并不表示节能合格!

至于质量计量部门检测一说,纯粹属于虚假宣传品:

这种套路,很多保健品厂家也这样干!

比如某量子厂家晒出检验合格证,原来是重金属含量合格,根本不是治疗效果!

因此,若是要第三方机构证明,只要晒出节能效率的证明就可以了!

七、专利:无实际意义的外观设计!

先作一点关于专利的科学普及(之前写过好几篇关于量子商品荒唐专利的评述,特意说明):

(1)中国专利有三类:发明专利、实用新型专利和外观设计专利。

发明专利需要一定的实质性审查,一般需要两年以上才能获得授权号;

实用新型专利一般只需要形式审查,一年左右就可以拿到授权,但基本没有太大发明价值,很多明显荒唐的也被授权,也就不奇怪了,现在业内基本不care实用新型专利;

外观专利自然没有任何发明意义。

(2)专利并不是有效性证明!更不是权威!

即便是获授权的发明专利,并不是代表其内容的有效性,因为专利着重点在于权利占有,没有实物或验证也可以申请,专利不是论文,不需要严谨的同行评议,并不是有效性验证!专利可不用审查具体功效,侧重审查是否与专利库中的内容有重复。

通过生产厂商深圳明盛达科技有限公司查询,只能查到两个外观设计的专利:

连实用新型都不是,何况发明专利了!

另外,即便有的话,也不能说明什么问题。因为专利不是有效性证明,只是创意的独占性证明。

很多保健厂家晒专利,只不过没有一点用处!

八、河南蚁王公司涉嫌传销已注销

事实上,蜜蜂省梦比的厂家是河南蚁王智能科技有限公司,该公司于2018年12月刚刚注册,但2019年早已注销!

同时,该公司有很多涉嫌传销的报道:

【提示】蜜蜂省梦比涉嫌传销

九、智天蜜蜂省梦比

智天在宣传品中,3480元买两个原价268元的省梦比!再送一文不值的股权币CIC。

哈哈!

对了,糊弄人的蜜蜂省梦比的原价可是168元!

这个智天蜜蜂省梦比,贴了智天的牌子,一下子就变成了3480元?

哈哈!

不要再上当了!

旧文参考:

答客问:我为什么写《智母沈氏谎》?我是水军吗?(2021版)

【53】一网打尽!智天派生连环骗子全曝光(CIC股权币、纪念币、省梦比等)

【52】吴开明出席华人行搏击赛签约?已解约!

【51】智天上市,要靠风水神器寻龙尺?

【50】11月6日,智天金融真的要上市?

【49】金泉网的智天官网关了!关了!

【转载须知】

本公众号绝大部分该文为原创,码字不易,请尊重著作权。转载时请遵守CC协议,注明出处,保留或注明原标题,请勿改动该文原意。若需补充非原作内容时,请加以标注。公众号转载,务必在显眼位置插入本站链接(如下),否则将移除白名单。谢谢!

谎言终点站
本站宗旨:独立调查、专精分析、科学态度、坚持原创。 站长简介:博士,专精研究者。数年前因家人为传销所困,乃愤而出圈撰文,以专精怼糊弄,以真相揭谎言。让真相之光朗照大地,使同款家人不再被骗。商务合作勿扰。
379篇原创内容
公众号

所属类别: 新闻资讯